
Rated evaproration: 0.5t/h - 50t/h
Rated steam pressure: 0.7Mpa - 1.6MPa
Rated thermal power: 0.7MW - 14MW
Specific parameters are shown in Table 1
This type of boiler is fire tube steam hot water boiler which adopts the three-pass structure and corrugated furnace structure, and the outer surface of the boiler is covered by water. The whole equipment comsists of boiler shell, furnace gallbladder, switching smoke chamber and smoke pipe, etc.
Boilers adopt threaded flue gas tubes with high heat transfer efficiency, which improves the heat transfer effect of flue gas tubes.
Boilers adopt low-level combustion chambers, which make the safe range of water level of boilers wider, the steam space of boilers larger and the steam quality better guaranteed.
Steel tube fin energy saver is arranged at the tail of the boiler, which has high heat transfer efficiency and reduces fuel consumption.
The boiler has an overhaul door hole, which is convenient to overhaul.

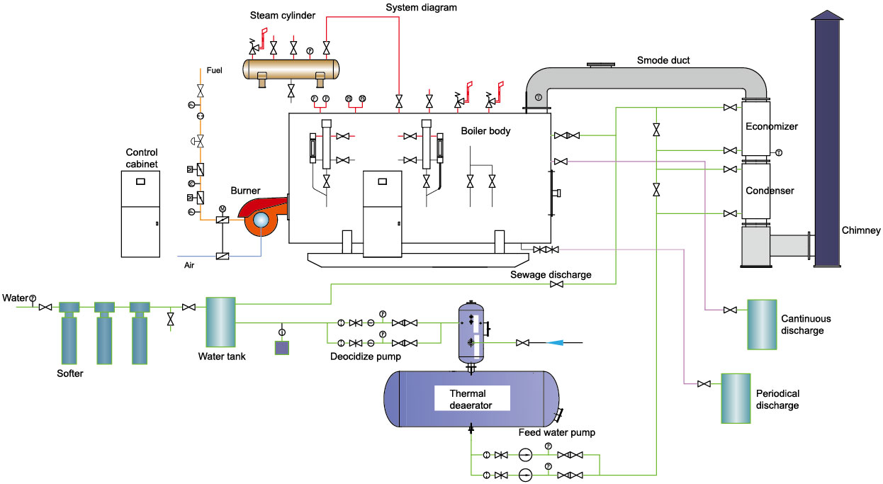
Oil/Gas Steam Boiler System Diagram
